机器人快换盘,行业内又叫换枪盘,快换装置,快速更换器、快换器等,它是应用在工业机器人末端的一种柔性连接工具,是工业机器人应用系统中非常重要的组成部分,其作用是让单台工业机器人在应用过程中自动切换不同的末端执行工具,以增加工业机器人使用的柔性,具有生产线更换快速、有效降低停工时间,一机多用等多种优势,充分发挥机器人的性能,提高工业机器人的性价比。
机器人工具快换装置相比传统加工模式的优点在于:
1.生产线更换可以在数秒内完成;
2.维护和修理工具可以快速更换,大大降低停工时间;
3.通过在应用中使用1个以上的末端执行器,从而使柔性增加;
4.使用自动交换单一功能的末端执行器,代替原有笨重复杂的多功能工装执行器。
机器人快换盘被广泛应用于自动点焊、弧焊、机床上下料、自动搬运,3C电子,新能源电池,半导体,冲压、检测、装配、打磨、包装码垛等行业。
毫无疑问,在工业机器人使用的过程中,保证自动化过程的安全性是首要考虑因素,机器人快换盘因为需要在不同的末端执行工具之间不断地自动切换,这对于安全性就提出了更高的要求。
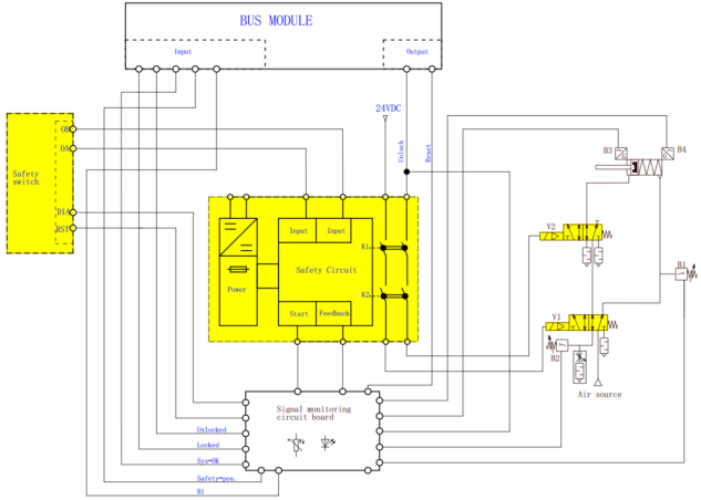
机器人在特邀国内四家优质快换盘企业—(桥田、领航、奥图、宇邦)为您讲述快换盘的安全性优势,通过对各个企业的分析,了解国产快换盘的优势及作用! 机器人快换盘分为机器人侧(Robot side),简称R侧和工具侧(Tool side),简称T侧两部分,机器人侧安装在机器人末端,工具侧和执行工具(焊枪,机械手,夹具等)安装在一起,机器人侧主要由快换盘本体,机械锁紧机构,选配模块,和控制单元四部分组成,工具侧是配合机器人侧使用的,相对简单,没有控制单元部分,其余部分和机器人侧保持一致。 在行业内,目前全球主流的机械锁紧机构有如下几种: 第一种:钢珠加弹簧自复位式锁紧机构,如图1所示,整套锁紧机构由大推力弹簧、活塞、钢珠、凸轮组成。其工作原理是:活塞与凸轮连接,在压缩空气和弹簧的作用下推动钢珠完成锁紧;松开时活塞带动凸轮退回,此时钢珠可以收回;当锁紧机构意外掉气时钢球在末端工具的重力作用下会由锁紧平台移动至安全平台,此时在大推力弹簧推力与工具重力的作用下实现钢珠对凸轮的抱死,安全平台和大推力弹簧的双重保险锁紧机构在系统意外掉气时有着较高安全性,该种机构代表型企业有瑞士史陶比尔,上海桥田智能等。 钢珠加弹簧自复位式锁紧机构 第二种:钢珠无弹簧式锁紧机构,整套锁紧机构由活塞、钢珠、凸轮组成。其工作原理是:活塞与凸轮连接,在压缩空气的作用下推动钢珠完成锁紧;松开时活塞带动凸轮退回,此时钢珠可以收回;当锁紧机构意外掉气时钢球在末端工具的重力作用下会由锁紧平台移动至安全平台,此时在工具重力的作用下实现钢珠对凸轮的抱死。安全平台设置的锁紧机构在意外掉气时提供了基本的安全和保护,该种机构代表型企业有美国ATI,德国雄克等。 第三种:卡爪式锁紧机构,如图2所示,整套锁紧机构由活塞、卡爪、凸轮组成。其工作原理是:活塞与凸轮连接,在压缩空气的作用下带动卡爪完成锁紧;松开时活塞带动凸轮收回卡爪;当锁紧机构意外掉气时凸轮在弹簧力的作用下保持顶出,依靠弹簧力保护的锁紧机构在意外掉气时具备了基本的安全和保护,该种机构代表企业有日本NITTA等。 卡爪式锁紧机构 以上我们从机械锁紧机构角度阐述了机器人快换盘如何实现安全的,接下来我们从快换盘的外部控制单元部分看如何实现双重安全保证的。从上述的机械机构分析,快换盘锁紧机构的动力主要来源于内部的气缸,因此对于安全性来说,就是要实现对气缸松开气源的控制,以防止意外解锁的发生。 目前行业常用的控制方式有以下几种: 第一种:单阀直接控制方式,如图3所示,这是最简单的控制方式,无额外的安全防护措施,由PLC或机器人信号直接控制,其优点是控制简单;缺点是无额外安全措施,任何位置、任何时间均可以用外部指令解锁。 单阀直接控制方式 第二种:单阀安全控制方式,如图4所示,额外增加安全防护措施,PLC或机器人信号需要经过安全电路控制,其优点是控制简单,增加额外安全措施,安全电路通过指定安全位置才可以解锁;其缺点是安全电路单一,安全等级不足。 单阀安全控制方式 第三种:双阀控制方式,如图5所示,使用2个电磁阀实现安全控制,安全位置检测信号增加为双重检测,其优点是有安全保护回路,使用更加可靠的安全开关,使用两个电磁阀,安全气路更加可靠;缺点是主气路依然是单个阀,没有实现真正的冗余。 双阀控制方式 第四种:PLd级双阀控制方式,如图6所示,使用两个更高可靠性的安全电磁阀实现安全控制,不仅安全位置检测信号增加为双重检测,而且对快换运行状态及电磁阀的运行状态实时诊断,当检测到故障时快换自动报警并保持安全锁紧状态,其优点是电路增加状态监控安全保护回路,使用更加可靠的电磁阀,主气路使用两个电磁阀,安全气路真正实现冗余,整体可达PLd;缺点是价格较高。 PLd级双阀控制方式 第五种:桥田安全控制盒方式,如图7所示,是桥田公司开发专用于快换盘的安全控制盒,安全等级达到PLd,Cat.3,控制盒中集成综合信号诊断功能,可以实现以下状态监控: 快换锁紧和松开动作的监控,即防止内部机械故障。 气源压力状态的监控,即运行中始终对锁紧气源监测。 电磁阀状态的监控,即防止阀体机械故障。 对安全开关状态监控,即及时反馈故障信号。 对安全输出回路内部监控,即防止器件失效。 对安全输出回路锁定功能,即故障时必须重置。 对安全输出回路的初始化要求,即设备上电必须执行重置操作,完成内部自检功能。 桥田安全盒控制方式 以上介绍的各种外部气路控制方式,安全性能逐步递增,在全球机器人快盘换制造厂商中,目前安全性能达到PLd,Cat.3的屈指可数,桥田作为国内机器人快换盘细分领域的先驱者,已达到国际先进水平,以前工业机器人所用的快换盘几乎都是外资品牌垄断,随着国内制造业的兴起,国家对核心零部件的重视和支持,一批机器人关键部件实现完全的国产化,桥田作为其中一份子贡献了属于桥田人的工业价值。 领航机器人末端在快换装置的设计理念,以及创新工艺的输出上,始终把产品品质、质量安全放在首要位置。全公司系列产品先后通过ISO9001质量体系认证,欧盟CE认证。 左一:IOS9001质量认证 右一:欧盟CE认证 除此之外,领航每件产品出厂前,需要经过7大项检测程序,满足118项指标才可以到使用者手中。保证每件产品唯一S/N码,产品信息全追溯。 1.安全停靠系统 专利的工具支架互锁功能,在工具快换装置正常工作时,工业机器人即使错误输出打开指令给电磁阀模块,工具快换装置也不会实施打开操作。 2.机械自锁结构 当换枪盘机器人侧突然失压,锁紧机构失去气压锁紧力,弹簧依然会保持换枪盘凸轮处于锁紧位置,工具侧靠重力向下拉,带动钢柱从锁紧倾斜面移动至安全反侧倾斜面,形成对等中和力,保证工具盘不会脱落。 3.灭弧模块 内置灭弧模块,采用高稳定性芯片,内置通断程序,接收盘体松开锁紧传感器信号,控制电源触针。 当锁紧信号给出,模块接通触针,松开信号给出,模块断开电源,探针分离,保证在热插拔的工况下,探针实现不带电接触与分离,有效保护触点。 探针接触→通电→工作→断电→探针分离 利用上述技术,领航在机器人末端装备研发、制造、生产、服务中一直保持着零生产事故的记录。领航机器人末端未来会一直秉持“创新、专注、极致、高效”的企业理念,不断加大新技术、新工艺的研发应用,以技术创新不断实现工业和机器人两个产业的相互融合,为制造型企业提供更高效的柔性生产设备,提升中国智造水平,推进全球工业4.0进程,致力于成为全球最优秀的机器人末端装备提供商。 Aovita是奥图股份旗下机器人工具快换品牌,Aovita团队秉承公司“致力创新,追求卓越”的核心理念,致力于用产品的“高可靠性”提高自动线开动率,降低维护成本,用产品的“高性价比”降低设备整体投入,促进自动化普及。产品广泛应用在汽车制造、搬运、码垛、焊接、打磨、注塑等行业中。为保证客户安全生产,奥图团队综合分析产品工作过程,将安全分成了两种情况。 工作过程的安全稳定是产品的基础,为了让机器人工具快换连接更安全更稳定,Aovita机器人工具快换进行了大锁紧力的设计,产品设计锁紧力约为产品负载的10倍,这样机器人抓手或执行工具就会被牢牢的抓在机器人上,带来更好的工作稳定性。 应用案例:教育自动化 Aovita机器人工具快换的核心锁紧零部件采用锻造原材料并进行特殊热处理,充分发挥材料性能,产品负载能力更强,安全系数更高,保障整个运动过程的安全可靠。如下图所示,6公斤产品可以长时间挂载50公斤的负载。 Aovita机器人工具快换标配工具盘在位检测及主盘锁紧松开检测,可实时检测工具盘锁紧状态及气缸运行状态,更好的保障工具快换装置的安全运行。 除了保证正产工作的安全稳定,对于现场异常情况的安全防护也是奥图关注的重点。对现场异常防护的重点即保证机器人抓手或执行工具的不脱落。当现场意外断气时,产品采用的是机械自锁结构,可有效避免工具盘的脱落,保障现场人员及工具的安全。6公斤产品断气后(气管拔掉)依然可以保证50公斤负载不脱落。 应用案例:热冲压生产线 在实现断气自锁之后,机器人抓手或执行工具被错误释放是快换使用的最大的不安全因素。通过配套使用我司安全停靠模块,实现机器人抓手或执行工具只有在停靠站才能被释放,避免人为或则程序错误导致的机器人抓手或执行工具在错误的位置被释放。 Aovita机器人工具快换不仅可以保证生产过程的安全稳定,而且在异常情况又有足够的安全防护,是一款足够安全的高品质产品。 机器人自动快换装置也叫机器人快换盘,行业内又叫换枪盘、快换器等。它的作用是将末端工具等物体自动快速地连接到机器人臂上,是臂手连接的“腕”,是一种柔性连接工具,因为执行命令不一样,末端工具的使用不一样,通过换枪盘快速自动切换不同的末端执行工具,让单一功能工业机器人变为多功能机器人,增加工业机器人使用的柔性,提高了机器人的性能,有效降低停工时间,比如当焊枪过热或需要其他类型的焊接时,换枪盘就能快速更换工具,完成不同的工作。 快换装置由两部分构成,与机器人臂连接的部分是机器人端(Robot side),简称R侧,也叫母盘;与执行工具连接的部分是工具端(Tool side),简称T侧,也叫工具盘。母盘主要由快换盘本体,机械锁紧机构,选配模块和控制单元四部分组成,工具盘是配合机器人侧使用的,相对简单,没有控制单元部分。母盘需要锁定到带有气动锁定的装置上,母盘和工具盘可以通过气动装置快速耦合和脱离,完成工具交换,一个母盘可以与任意数量的工具盘连接,具体锁定过程见图1。 快换装置最核心的性能是刚强耐用、稳定安全和通用性好。 1.高强度 由于锁定活塞的大直径和凸轮锥度,快换装置应具有高力矩能力,能够承受振动和高惯性运动。母盘和工具盘活塞对齐的重复性使用,使得活塞、钢珠等出现变形和磨损,以至产品报废,所以客户对产品的耐用性十分关注。 2.安全稳定性 通过电位传感器和锁定机制,及时纠正、报警和锁死,防止气损或断电时主辅盘分离,克服微小的差距和偏差在配合面之间带来的不稳定,来提高工作时的安全稳定性。 3.通用性 与常见机器人臂和执行工具安装连接简单,通用性好。 这些快换能够在满载荷情况下可靠的循环运行几百万次,同时保证非常高的重复精度。例如,汽车制造厂家保持无库存制度的汽车车身部件生产计划,同时快换更换不同尺寸的冲压白车身,每班会多达4-5次。 使单台机器人在制造和装配过程中更换末端执行工具,像人类一样能够操作不同的工具,增加机器人的柔性。在需要更换多个末端执行工具的应用中,底线是要减少高成本的,非生产的更换工具时间。 宇邦工业AAT快换装置在强度、耐磨性、稳定安全和通用性做了一系列实验,产品的负载抗疲劳试验达到100万次,期间设置不同的安全测试,更换不同品牌的工具机器人测试通用性,总体性能卓越。 1.结构材料由国内著名材料学中国工程院院士指导改善,不锈钢结构材料通过特殊处理 ,产品有极高的强度和耐磨性,过设计克服配合面之间的小间隙和错位,轻松设定拾取和落下点,从而最大限度地减少磨损。 2.机器人正常运行中突然断气或断电防止脱落功能,主辅盘分离或结合时防止脱落,防止工程师在操作时误操作,避免操作安全隐患。 3.所有产品预留故障诊断功能,生产数据可直接无线传送MAS管理系统 配有产品保养维护软件预警软件。 4.大部分型号产品直接可与知名品牌机器人直接连接,不需要连接板 安装方便简单。 5.所有型号产品螺丝带有自锁功能 ,使我们产品使用性能更稳定防止螺丝松懈。 6.所有型号产品带有松紧和松开,在位检测传感器开关,使用更安全可靠。 宇邦工业AAT快换装置类型丰富,详见图2。 机器人在未来人类生产生活中将会发挥越来越重要的作用,它可以代替大量的社会劳动力,服务于人类社会,未来自动化将向着更安全、更科学的方向发展。每件产品出厂前质检工序

铁锚
大桥
金桥
京雷
天泰
博威合金BOWAY
马扎克Mazak
威尔泰克
迈格泰克
斯巴特
MAOSHENG贸盛
Miller米勒
新世纪焊接
西安恒立
上海特焊
新天激光
海目星激光
迅镭激光
粤铭YUEMING
镭鸣Leiming
领创激光
天琪激光
亚威Yawei
邦德激光bodor
扬力YANGLI
宏山激光
楚天激光
百超迪能NED
金运激光
LVD
Tanaka田中
BLM
易特流etal
百盛激光
Messer梅塞尔
PrimaPower普玛宝
川崎工业焊接机器人 焊接管架
大焊 焊机匠心品质 精工之作 行家之选
KUKA 库卡摩多机器人流水线作业
全自动焊接流水线
松下 旗下LAPRISS机器人激光焊接系统
上海通用电气 全焊机系列展示
创力 CANLEE光纤激光切割机
滚轮架、万象焊接、可调式焊接滚轮架、厂家直销滚轮架、可购可租滚轮架
山东青州气保焊机逆变脉冲手工铝焊机刹车蹄焊机发热盘钎焊机LH-GYQH选择技巧
佰诺ISW卧式管道离心泵
三麦热风炉.烤箱热风炉.商用醒发箱
瑞凌东升氩弧焊机 WS-200小型便携式逆变直流手工电焊/氩弧焊机
济南华鹿塑料焊接厂供应塑料焊接和HL塑料焊条 焊接塑料水箱 PVC焊条 PVC软板焊条 塑料焊条
广东途达OTC焊接机器人 工业机器人
瑞凌东升NBC-315 气保焊机逆变直流二保焊机220/380V双电压自动转换







